2HXYP20-10

2HXYP20-10
2HXYP20-10

直線運動單元, X-Y ADAPTER PLATE 2H20 TO 2H10


  • Can be used to mount one unit to another to create a Multi axis assembly

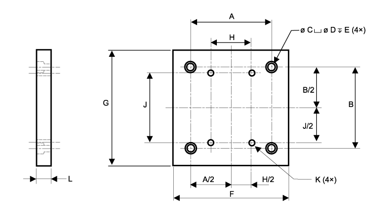
Dimensions

dimensions
尺寸價值
[A]145 毫米
[B]145 毫米
[C]10.5 毫米
[D]16.5 毫米
[E]11 毫米
[F]200 毫米
[G]200 毫米
[H]85 毫米
[J]120 毫米
[K]M8 x 1.25 - 6H 
[L]22 毫米

Specifications

Specifications價值
Use with2HB20 to 2HB10 

Get Quote

*Please fill out the information below so we can best assist you: